| Part Number | Download | Circuit | Status | Type | Process |
ESDYes/No |
VDSV |
VGSV |
IDA |
VGS(TH)V |
RDS(mΩ)@VGS10V Typ |
RDS(mΩ)@VGS10V Max |
RDS(mΩ)@VGS4.5V Typ |
RDS(mΩ)@VGS4.5V Max |
Package |
|
|
|
|
|
|
|
|
|
|
|
|
|
|
|
||
| CJAC5R0SN03A |
![]() |
![]() |
Active |
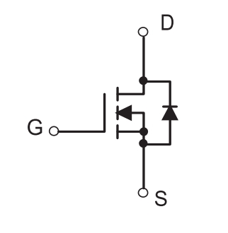
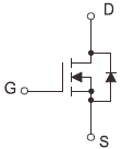
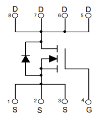
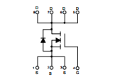
Single-N |
SGT |
No |
30 |
±20 |
80 |
1.4~2.2 |
3.7 |
5 |
5.7 |
7.8 |
PDFNWB5x6-8L |
| CJQ075SD10M6 |
![]() |
![]() |
Active |
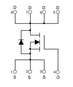
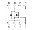
Dual-N |
SGT |
No |
100 |
±20 |
3.5 |
1.0~3.0 |
48 |
75 |
57 |
90 |
SOP8 |
| CJWT039SN25MK |
![]() |
![]() |
Active |
Single-N |
SGT |
No |
250 |
±20 |
51 |
2.0~4.0 |
32 |
39 |
- |
- |
TO-247-A |
| CJWT021SN20MK |
![]() |
![]() |
Active |
Single-N |
SGT |
No |
200 |
±20 |
85 |
2.0~4.0 |
17 |
21 |
- |
- |
TO-247-A |
| CJP039SN25MK |
![]() |
![]() |
Active |
Single-N |
SGT |
No |
250 |
±20 |
55 |
2.0~4.0 |
33 |
39 |
- |
- |
TO-220-3L-CB |
| CJP021SN20MK |
![]() |
![]() |
Active |
Single-N |
SGT |
No |
200 |
±20 |
70 |
2.0~4.0 |
17 |
21 |
- |
- |
TO-220-3L-CB |
| CJP021SN15MK |
![]() |
![]() |
Active |
Single-N |
SGT |
No |
150 |
±20 |
60 |
2.0~4.0 |
17 |
21 |
- |
- |
TO-220-3L-CB |
| CJWT035SN20MK |
![]() |
![]() |
Active |
Single-N |
SGT |
No |
200 |
±20 |
55 |
2.0~4.0 |
29 |
35 |
- |
- |
TO-247-A |
| CJAB2R8SN03AL |
![]() |
![]() |
Active |
Single-N |
SGT |
No |
30 |
±20 |
90 |
1.1~1.9 |
2.4 |
2.8 |
2.9 |
3.5 |
PDFNWB3.3x3.3-8L |
| CJAB30SN10L |
![]() |
![]() |
Active |
Single-N |
SGT |
No |
100 |
±20 |
30 |
1.4~2.4 |
13 |
16 |
17.5 |
24 |
PDFNWB3.3x3.3-8L |
| CJAC2R8SN06AL |
![]() |
![]() |
Active |
Single-N |
SGT |
No |
60 |
±20 |
190 |
1.2~2.4 |
2.1 |
2.8 |
3.1 |
4.3 |
PDFNWB5x6-8L |
| CJAC6R2SN10AH |
![]() |
![]() |
Active |
Single-N |
SGT |
No |
100 |
±20 |
100 |
2.0~3.2 |
4.9 |
6.2 |
- |
- |
PDFNWB5x6-8L |
| CJAC012SN06AL |
![]() |
![]() |
Active |
Single-N |
SGT |
No |
60 |
±20 |
65 |
1.3~2.5 |
8.6 |
11 |
12.1 |
16 |
PDFNWB5x6-8L |
| CJACR95SN04AL |
![]() |
![]() |
Active |
Single-N |
SGT |
No |
40 |
±20 |
350 |
1.3~2.3 |
0.7 |
0.95 |
1.1 |
1.5 |
PDFNWB5x6-8L |
| CJTLR60SN04AL |
![]() |
![]() |
Active |
Single-N |
SGT |
No |
40 |
±20 |
420 |
1.3~2.5 |
0.44 |
0.6 |
0.6 |
0.85 |
TOLL-8L |
| CJM5R7SN03B |
![]() |
![]() |
Active |
Single-N |
SGT |
No |
30 |
±20 |
19 |
1.2~2.2 |
3.7 |
5.7 |
6 |
9.5 |
DFNWB2x2-6L |
| CJAC2R8SN03AL |
![]() |
![]() |
Active |
Single-N |
SGT |
No |
30 |
±12 |
120 |
1.1~2.0 |
2.2 |
2.8 |
2.6 |
3.5 |
PDFNWB5x6-8L |
| CJAC1R3SN06A |
![]() |
![]() |
Active |
Single-N |
SGT |
No |
60 |
±20 |
300 |
2.0~3.5 |
0.9 |
1.2 |
- |
- |
PDFNWB5x6-8L |
| CJAC2R0SN06AL |
![]() |
![]() |
Active |
Single-N |
SGT |
No |
60 |
±20 |
260 |
1.5~2.5 |
1.5 |
2 |
2.4 |
3.2 |
PDFNWB5x6-8L |
| CJAC75SN10AL |
![]() |
![]() |
Active |
Single-N |
SGT |
No |
100 |
±20 |
75 |
1.2~2.5 |
7.5 |
9 |
9.6 |
13 |
PDFNWB5x6-8L |